3656

Get a Live Demo

You need to see DPS gear in action. Get a live demo with our engineers.

White Paper Series

Check out our White Paper Series!

A complete library of helpful advice and survival guides for every aspect of system monitoring and control.

DPS is here to help.

1-800-693-0351

Have a specific question? Ask our team of expert engineers and get a specific answer!

Learn the Easy Way

Sign up for the next DPS Factory Training!

DPS Factory Training

Whether you're new to our equipment or you've used it for years, DPS factory training is the best way to get more from your monitoring.

Reserve Your Seat Today

KDA 864 E2 Remote Alarm - Product Summary

Summary of Features

  • 32 Alarms, 8 Controls and 8 TBOS Ports in a One Rack-Unit Package.
  • 64 Alarms and 8 Controls in One Rack-Unit Package.
  • Two Communications Interface Docking Stations.
  • Optional modem for Dial-Up or Alternate Path Communications.
  • E2, E2A and TRIP Protocols.
  • Select E-System Address on 8 Bit DIP Switch.
  • Front Panel Test Jacks for Quik Calibration.
  • Configures with T/KDA Software.
  • Selectable Loop Back Frequencies.
  • Protocol Analyzer Speeds Turn Up and Diagnostic Efforts.
  • Operational Status LED's Provide Local Display of KDA Operation and Point Status.
  • Expansion Cards Enhance Functionality:
    • TBOS Scanner Expansion Cards - Add 4 or 8 TBOS PORTS.
    • Analog Expansion Card - Add 8 or 16 Analog Input.
    • SR-24 Relay Expansion Card - Add 24 Additional Control.

Overview

KDA 864-E2 - Versatile, Smart.
Today's complex telecom networks need versatile and intelligent monitoring systems, composed of efficient and user-friendly central terminals and functional, smart remote terminal units (RTU's).

RTU's need to be able to deal with the multitude of monitoring requirements at remote telecom sites - environmental status, battery plant voltages, security, switch alarms, transmission equipment, tower lights, outside plant status - be it a small hut or an entire central office.

DPS's KDA 864-E2 now brings flexibility and intelligence to your E-System Monitoring Network. Flexible to handle today's needs and intelligent enough to fulfill future demands.

Flexible.
The KDA 864-E2 is a downloadable alarm and control remote that packs 64 alarm points and 8 control points into a single 19-inch housing. Daisy-Chain up to four KDA's for added capacity. Include additional functions like TBOS ports or analog monitoring in the expansion card slot.

Alarm inputs are optically isolated, polarity reversible. Control outputs are relay isolated. Magnetic-latching relays are optional.

The KDA communicates via a primary and a secondary port. Optional "docking" modules determine the electrical interface. A 202 modem is the normal primary port interface for most E-System applications. The secondary port can be equipped with a 212 dial modem for downloading the configuration and for alternate path reporting.

Front panel LED's show unit activity and alarm conditions. A visual fuse alarm indicator is included.

The KDA 864-E2 features a plug-in P.C. board in a fixed-mount housing with wire-wrap interface (connectorized option available). Test jacks on the front panel access the modem for level adjustment. E-System address and loop-back control frequency are DIP-Switch selected.

Satellite Units
Satellite Units: Expanded KDA Capacity with Satellite Units.

Intelligent.
Personnel can use T/KDA software on a personal computer at the front panel craft port for local configuration or full interactive monitoring. Configuration can also be done remotely via dial-up modem.

T/KDA software includes a protocol analyzer.

Protocols available on other KDA models include DCP, DCPF, and DCPS. TRIP protocol is used with the dial-up modem. A TL-1 responder is available to make the KDA act as a TL-1 network element, eliminating the need for additional mediation.

Network Architectures.
The KDA 864-E2 reports alarms over a dedicated circuit to an NMA center or similar E-System facility. Optional alternate path reporting is via dial-up circuits to a DPS T/MonXM Workstation or IAM (Intelligent Alarm Mediator). These modes of operation are possible:

  • Primary (E2A Protocol over fixed communication facility).
  • Dial-up - Calls can be initiated by either the master or the remote. (TRIP Protocol).
  • Alternate Path (primary with dial backup). The Alternate Path mode provides an extra protection factor that assures remote site status will be continuously reported, even when the network itself breaks down. (TRIP Protocol)

All DPS masters support multiple port interrogation and response to higher level devices via TL-1 and other protocols.

Routing Option
Routing Option: Alternate Routing Option Allows KDA 864-E2 to report via Dial Line incase of Dedicated Line failure.

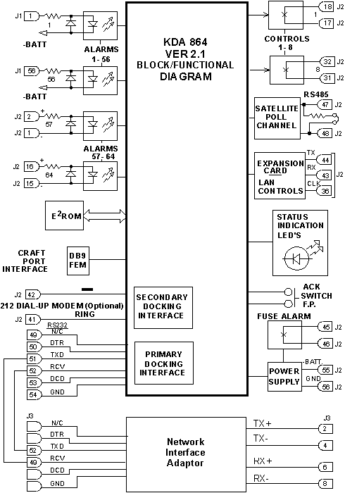
Functional Schematic
See functional schematic of the KDA 864-E2 Alarm Remote.


Specifications

Dimensions: 17.0"(W) X 12.0"(D) X 1.75"(H)
Mounting: 19" or 23" rack mounting, flush or 5" projection. KDA can also be wall mounted.
Power Input: -18 to -36 VDC (200 MA @ 24 VDC).
-36 to -72 VDC (150 MA @ 48 VDC).
Fuse: 1/4 Amp.
Operating Temperature Range: Option 01: 0 to +60 Degrees C.
Option 05: -30 to +70 Degrees C.
Humidity: 0% to 95% non-condensing.
Modem: 202 type, 1200 Baud on primary port,
212 "AT" type 1200 Baud internal modem (Optional, on port 2 only).
Protocols: Primary port uses E2A Secondary port uses TRIP Protocol (T/Mon Remote Interface Protocol).
Loop-back: Frequency controlled, 1513 Hz, 1613 Hz, 1713 Hz or 1813 Hz, DIP switch selectable.
Relay Contacts
(control outputs and fuse alarm):
Initial Contact Resistance: 50 milleohms.
Contact Material: Gold-Clad Silver.
Max. Switching Power: 60 W, 125 VA.
Max. Switching Current: 1 A.
Max. Carrying Current: 3 A.
Electrical Life: 500,000 Operations
(1A @ 30VDC).